


國VI發動機高壓共軌噴油器座的加工案例
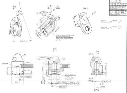
零件名稱:噴油器座
零件材質:304不銹鋼鍛件
零件用途:用于汽車發動機高壓共軌(國VI排放標準)
客戶原加工方案:
使用 Makino、Brother等加工中心,加裝第四軸轉臺,配備專用夾具,分四道工序進行加工。
四道工序根據加工節拍共需要5臺設備組生產線,產能是800件/天。
原方案需要配備昂貴的加工機床,對設備穩定性要求極高。
如果客戶考慮降低設備投入成本,購買低端機床,會因設備自身穩定性影響,以及多道工序的反復裝夾所造成的累計誤差,導致產品質量穩定性下降,不良率高。而產線實際產能也會
降低,甚至低于400件/天。
新加工方案:
使用PRO 800礦物床身加工中心(SHS-8r),加裝五軸數控轉臺(B軸+C軸),分兩道工序加工:
氣動夾具自動定位夾持
5軸拓展數控轉臺(B軸+C軸)
兩道工序根據加工節拍,共使用3臺PRO 800礦物床身加工中心(SHS-8r)組成生產線:
新加工方案在接近原方案產能的同時具備了以下優勢:
1、加工工序減少,生產中間環節簡化,產品質量可控性提高
2、設備數量減少,操作人員配備及設備場地占用減少,成本隨之降低
3、礦物床身加工中心,機床穩定性高,特別是針對不銹鋼、高鎳合金等材料有完美切削表現,并降低刀具損耗
4、相比購買5臺進口設備,使用3臺PRO 800礦物床身加工中心(SHS-8r)可達到相同的性能和生產需要,總設備投入成本降低。
加工噴油器座視頻
